Для понижения оборотов.
Универсальный редуктор 1Ч 160 технологически выполнен на одноступенчатой червячной передаче и эффективно применяется на производственных предприятиях, в других сферах как узел, понижающий первоначальные обороты. Благодаря уникальным конструктивным особенностям редуктор 1Ч 160 способен стабильно функционировать при различных нагрузочных режимах круглые сутки без пауз. Вращение входного вала достигает 1500 оборотов в минуту, а передаточное число находится в пропорции 8/80. Входной и выходной валы вращаются в разные стороны. В сборе вес редуктора составляет 120 килограмм.
Основные технические характеристики
|
Передаточное число номинальное |
8 |
10 |
12,5 |
16 |
20 |
25 |
31,5 |
40 |
50 |
63 |
80 |
|
Номинальный крутящий момент на вых .в алу , Н·,м |
1860 |
1760 |
1670 |
2190 |
1860 |
1860 |
2460 |
2080 |
1860 |
1760 |
1480 |
|
КПД, % |
94 |
93 |
92 |
91 |
89 |
86 |
83 |
80 |
76 |
73 |
71 |
|
Допускаемая радиальная нагрузка, Н |
вх .в ал |
1200 |
|||||||||
|
вых .в ал |
12150 |
||||||||||
|
Корригированный уровень зв .м ощности , ДБА |
94 |
||||||||||
|
Масса, кг не более |
120 |
||||||||||
|
Номинальный крутящий момент на выходном валу дан при повторно-кратковременном режиме при ПВ 40% |
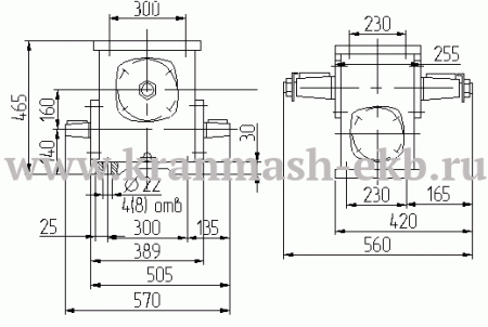
Габаритные и присоединительные размеры
Присоединительные размеры
Оплата заказа для юридических и физических лиц.
1. Оплата по Счету, Счет-договору (для юридических лиц и ИП с расчетным счетом).
1.1. После согласования заказа наш менеджер отправляет на email клиента Счет и Спецификацию или Счет-договор (в зависимости от условий сотрудничества).
1.2. При доставке транспортной компанией (ТК) Продавца «до дверей», ее стоимость выделяется отдельной строкой в Счете/Счет-договоре.
1.3. Доставка «до терминала ТК» будет бесплатной.
1.4. Срок действия Счет-договора 7 календарных дней. По их окончании программа автоматически расформировывает Счет-договор – бронь снимается.
2. Оплата товара.
2.1. Оплата принимается по безналичному расчету путем перевода денежных средств с р/с Покупателя на р/с Продавца.
2.2. При оплате наличными вы дожидаетесь курьера и передаёте ему сумму за товар в рублях. Покупатель подписывает документы, вносит денежные средства и получает чек.
2.3. Датой оплаты считается дата зачисления денежных средств на р/с Продавца.
Подробнее об условиях оплаты читайте в разделе Условия оплаты.
Доставка производится по России и странам СНГ. Предлагаем несколько вариантов отгрузки товара.
1. Доставка транспортной компанией (ТК) или курьерской службой Покупателя.
1.1. Мы сотрудничаем с транспортными компаниями:
- Транспортная компания КИТ.
- Деловые линии.
- ПЭК.
Также доставка может быть осуществлена:
- транспортными компаниями;
- авиа- и ж/д транспортом;
- контейнерными перевозками;
- экспресс-почтой, либо курьерской доставкой;
До транспортной компании доставляем бесплатно.
1.2. Покупатель может самостоятельно заказать услуги ТК или курьера и забрать заказ по адресу г. Екатеринбург, ул. Артинская, 6а.
2. Самовывоз со склада Продавца.
Если товар есть в наличии на складе, то заказ можно забрать на следующий день после получения оплаты или в день оплаты при наличии платежки с отметкой банка о проведении платежа. Если товар «под заказ», приезжать за ним можно после уведомления нашего менеджера.
Важно! Перед приездом или отправкой курьера необходимо связаться с менеджером и уточнить готовность товара к отгрузке.
Услуга доступна по адресу г. Екатеринбург, ул. Артинская, 6а, офис 2, с 9:00 до 17:00.
3. Доставка заказа ТК Продавца «до дверей» Покупателя.
Подробнее об условиях доставки читайте в разделе Условия доставки.

